Aqui esta mi firmatoledo escribió:
falto tu firma renix para que fuera de "coleccion"
[Atari] SDrive
Re: [Atari] SDrive
Re: [Atari] SDrive
Asi es...josepzin escribió:Que miniatura :O :O
El SD2IEC de C64 es pequeñito pero al lado de este es gigante. Igual lo podrían todo dentro del mismo conector.
Ahora este tipo de integracion electrónica esta un poco alejada de poder hacer las cosas uno mismo y en casa, yo podria hacer versiones de estos periféricos asi pero serviría para venderlos hechos y nada mas, y la idea de Retromakers precisamente es revivir ese gusto por la electrónica pudiendo armar o contruir las cosas uno mismo...
Re: [Atari] SDrive
renix, cuanto sale el sdrive???? para comprar uno para mi arati jajaj
Re: [Atari] SDrive
No me he juntado con Nicolas para armar una planilla de costos reales para poder dar un precio dorkdag... Espero tenerla pronto para no dar un precio al dedo, y que genere una utilidad en base a un precio decente y no sobrepasado como están los precios de estos periféricos que llega a dar cosa, sobrepasando los 70 euros lo cual es demasiado...
Re: [Atari] SDrive
Leyendo el topic me di cuenta que olvide setear los fuses del micro para que utilice un clock externo... Asi que lo mas probable es q no hubiese funcionado... Aun no hago pruebas ya q estoy lleno de pega
- Manuelink64
- Mensajes: 1152
- Registrado: Jue Ene 24, 2013 6:09 pm
- Ubicación: Neo Kobe City
Re: [Atari] SDrive
Puta que quedo fenomenal el PCB platinado
mis mas sinceras felicitaciones por lograr un PCB de nivel quasi-profesional,
algún dia me tienes que invitar a ver como se hace todo esto.
y ñoñar un rato (no se imagen otras cosas
)
Saludos!
mis mas sinceras felicitaciones por lograr un PCB de nivel quasi-profesional,
algún dia me tienes que invitar a ver como se hace todo esto.
y ñoñar un rato (no se imagen otras cosas
Saludos!
Re: [Atari] SDrive
Para mi cumple este mes manu... Es el unico dia en el año q hago la w que quiero y nadie me w...
Re: [Atari] SDrive
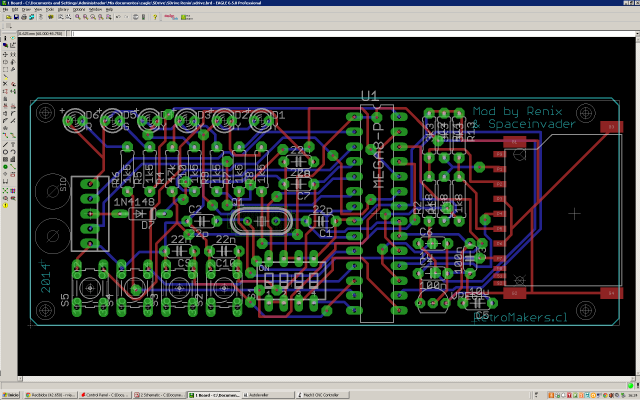
Hoy amaneci enfermo asi que no fui a trabajar... y aproveche de terminar la version estable del hardware del SDRIVE simplificado por Spaceinvader y por mi...
ahora a la CNC
ahora a la CNC
Re: [Atari] SDrive
Claro, "enfermo"... 
Re: [Atari] SDrive
Si no funciona el HW, sabremos que es porque estaba enfermo cuando lo diseñó... 
Re: [Atari] SDrive
Si funciona, ya hice andar la version 0,1...
Por eso decidi mejorar el hardware y dejar el proyecto mejirado y documentado...
Fotos del pcb terminado...
Por eso decidi mejorar el hardware y dejar el proyecto mejirado y documentado...
Fotos del pcb terminado...
Re: [Atari] SDrive
Y vias metalizadas con pintura de plata...
Re: [Atari] SDrive
la cagó!! que rápido avanza esto.
Re: [Atari] SDrive
Los costos indirectos de mis metodos son utilizar vias de radio externo enorme y pads de componentes enormes también, fuera de eso el acabado es muy profesional...
Re: [Atari] SDrive
felicitaciones renix, quedo la raja el proyecto. Acuérdese de reservarme una para mi, que yo se la compro.
Re: [Atari] SDrive
Lola Melnik definitivamente dejó su huella en esta version del SDrive...
O será muy depra lo que estoy diciendo ?????
O será muy depra lo que estoy diciendo ?????
Re: [Atari] SDrive
Ahora si quieres ruteo tu cartridge atari SD... No tengo respaldo, crea el topic y le damos...xt5 escribió:la cagó!! que rápido avanza esto.
- kiwa
- Mensajes: 651
- Registrado: Mié Jul 10, 2013 1:05 am
- Ubicación: Providencia, Santiago.
- Contactar:
Re: [Atari] SDrive
que wena renix, yo igual ya me puse a hacer el mio (espero las partes) no creo que haga tan elaborado el pcb si, sera mas rasca en ese aspecto 
Re: [Atari] SDrive
No existen cosas rascas hechas por uno mismo kiwa, esperamos tu making off como proyecto, porque lo rico de esto es lo que decía Franco, es leer los posts y las experiencias de cada uno no importando como ni que hagamos...
Yo espero estabilizar pronto esta versión, que ha sido todo un desafío aunque se vea como resultado solo una plaquita de pcb de doble faz, ya que la versión de una sola faz ya esta estable en posts previos... Solo falta un howto final de como programar el micro pero eso ya lo hiso spaceinvader...
Saludos
Renix
Yo espero estabilizar pronto esta versión, que ha sido todo un desafío aunque se vea como resultado solo una plaquita de pcb de doble faz, ya que la versión de una sola faz ya esta estable en posts previos... Solo falta un howto final de como programar el micro pero eso ya lo hiso spaceinvader...
Saludos
Renix
Re: [Atari] SDrive
es verdad, no existen las cosas rascas, hubieras visto los SLG que arme una vez, se veian horribles, pero funcionaban y eso era lo importante.
Asi que a inspirarse y a realizar mas cosas, viva el DiY
Asi que a inspirarse y a realizar mas cosas, viva el DiY